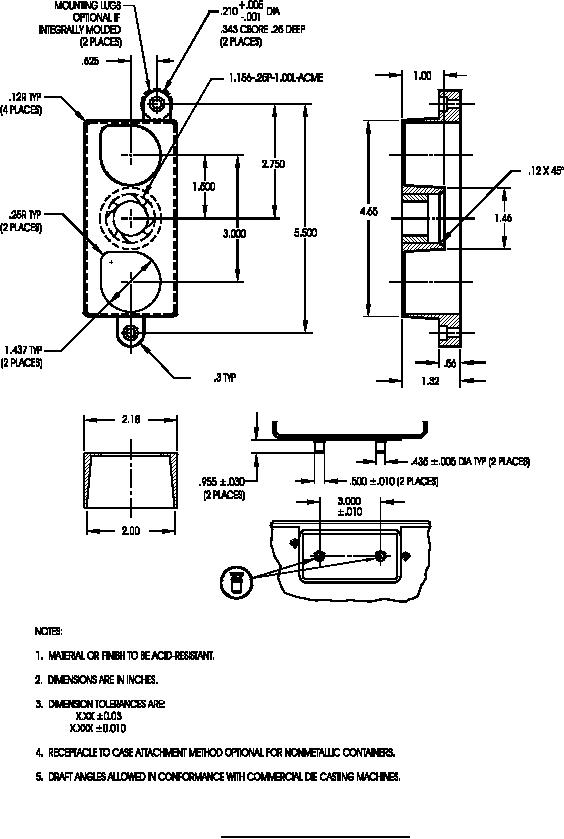
MIL-PRF-8565-5 Battery, Storage, Aircraft, Maintenance-Free, 24-Volt, 30-Ampere-Hour