
MIL-PRF-81757/9D
1/ The notations in parentheses specify the source of the paragraph. "(G)" means the
paragraph is as shown in MIL-PRF-81757. "(S)" shows that the paragraph has been modified
by MIL-PRF-81757/9. "(N)" indicates that a new paragraph or requirement has been added by
MIL-PRF-81757/9.
See 3.7.4 of
MIL-PRF-81757
MS3509
SEE REQ 5
SEE REQ 12
SEE REQ 5
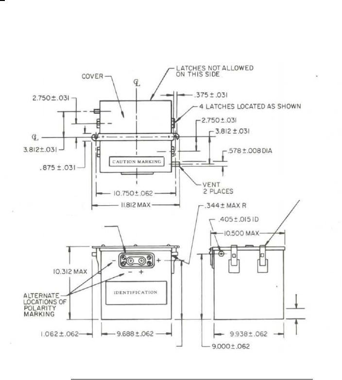
FIGURE 1. Dimensions and configuration for PIN M81757/9-2 and M81757/9-3.
8
For Parts Inquires submit RFQ to Parts Hangar, Inc.
© Copyright 2015 Integrated Publishing, Inc.
A Service Disabled Veteran Owned Small Business