emilspec
An Integrated Publishing, Inc. Site
eMilSpec
An Integrated Publishing Website
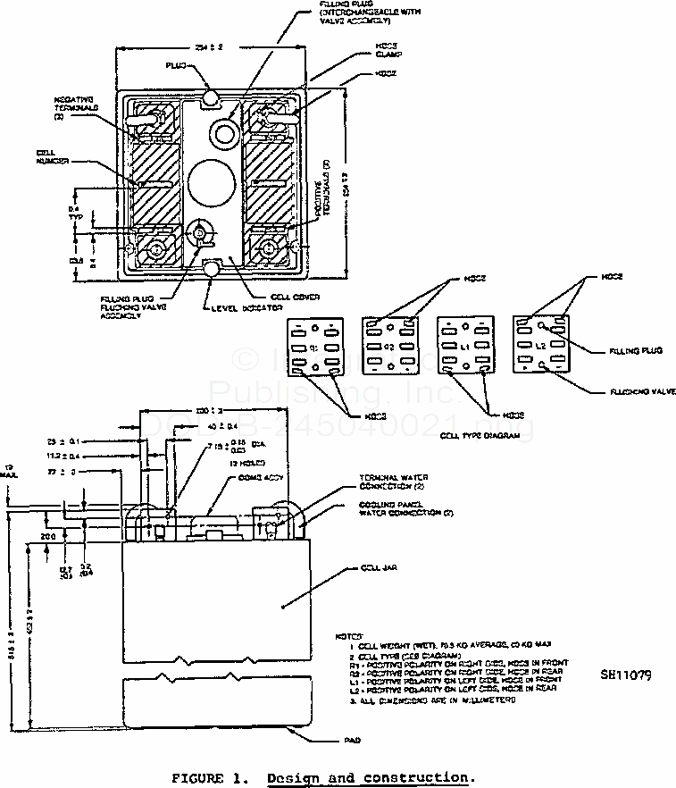
Battery Cells, Storage, Silver-Zinc Alkaline Type (For Dolphin) (Metric)
This specification covers silver-zinc alkaline storage battery cells used for propulsion in DOLPHIN (AGSS-555) submarine.
For Parts Inquires submit RFQ to
Parts Hangar, Inc.
© Copyright 2015 Integrated Publishing, Inc.
A Service Disabled Veteran Owned Small Business